咨詢熱線
18330064396### 引言
在浩瀚的建筑世界中,鋼結構以其卓越的強度、輕質和靈活性,成為了現代橋梁與高層建筑的首選材料。而在這些宏偉結構的構建中,剪力釘作為連接混凝土與鋼結構的關鍵部件,其抗剪強度更是關乎整個結構安全與穩定的核心要素。今天,就讓我們一起走進鋼結構建設與橋梁建筑的幕后,深入了解剪力釘抗剪強度的奧秘。

### 一、剪力釘:橋梁的隱形紐帶
**定義與功能**
剪力釘,也被稱為焊釘或栓釘,是鋼結構與混凝土之間的一種機械連接件。它們通過焊接或鉚接的方式固定在鋼結構上,并深入混凝土中,形成強大的握裹力,有效傳遞鋼結構與混凝土之間的剪力與拉力。在橋梁、高層建筑等復雜結構中,剪力釘扮演著連接不同材料、協同工作的關鍵角色。

**應用場景**
從跨江大橋的鋼箱梁到摩天大樓的樓板系統,剪力釘的身影無處不在。它們不僅增強了結構的整體剛度,還提高了結構的抗震性能,是現代建筑中不可或缺的“隱形紐帶”。
### 二、抗剪強度:剪力釘的硬核實力
**術語解析**
抗剪強度,顧名思義,是指材料抵抗剪切破壞的能力。對于剪力釘而言,其抗剪強度決定了在受到剪力作用時,能否保持連接穩定,不發生破壞或滑移。這是評價剪力釘性能優劣的重要指標之一。

**計算與標準**
剪力釘的抗剪承載力通常根據一系列復雜的公式進行計算,這些公式考慮了剪力釘的材料特性(如彈性模量、屈服強度等)、幾何尺寸(如直徑、長度等)以及混凝土的力學性能(如抗壓強度、彈性模量等)。在實際工程中,剪力釘的抗剪強度還需滿足國家或行業的相關標準與規范,以確保結構的安全性與可靠性。

### 三、影響剪力釘抗剪強度的因素
**材料因素**
剪力釘的材料直接影響其抗剪強度。優質的高強度鋼材能夠顯著提升剪力釘的承載能力和耐久性。同時,混凝土的強度等級和澆筑質量也對剪力釘的抗剪性能產生重要影響。

**設計因素**
剪力釘的直徑、長度、間距等設計參數需根據結構的具體要求進行合理選擇。過小的直徑和長度可能導致連接強度不足,而過大的間距則可能降低整體連接效果。因此,合理的設計是確保剪力釘抗剪強度的關鍵。

**施工因素**
施工質量同樣不容忽視。焊接或鉚接過程中產生的缺陷(如裂紋、氣孔等)會嚴重削弱剪力釘的抗剪能力。因此,嚴格的施工質量控制和檢測手段是保障剪力釘性能的重要措施。

### 四、剪力釘抗剪強度的應用實例
以某大型跨江橋梁為例,該橋梁采用鋼箱梁與混凝土橋面板的組合結構。在鋼箱梁與橋面板之間,密布著數以萬計的剪力釘。這些剪力釘不僅承受了車輛行駛產生的巨大剪力,還通過協同作用增強了結構的整體剛度。在設計和施工過程中,工程師們通過精確的計算和嚴格的控制,確保了剪力釘的抗剪強度滿足設計要求,從而保障了橋梁的安全運營。
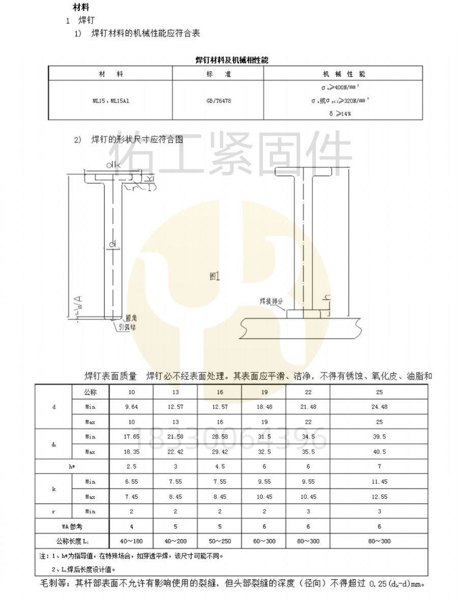
下附GB10433-2002國家標準尺寸供大家參考:

### 五、結語
剪力釘的抗剪強度是鋼結構橋梁建筑安全穩定的基石。通過深入了解剪力釘的定義、功能、影響因素以及應用實例,我們不難發現,在現代建筑領域,每一個細節都關乎著結構的整體性能與安全。因此,在未來的建筑實踐中,我們應繼續探索和創新,不斷提升剪力釘等關鍵部件的性能與質量,為構建更加安全、可靠、美觀的建筑結構貢獻力量。
