主要產品:焊釘、栓釘 剪力釘 圓柱頭焊釘鋼結構螺栓

專注鋼結構產品系列鋼結構配件系列產品專業供應商

18330064396

您的位置: 首頁 > 行業資訊

咨詢熱線

18330064396

電弧螺柱焊用螺柱和瓷環標準對比分析:GB/T 10433-2024 vs ISO 13918 vs GB/T 10433-2002

瀏覽次數:470 發布時間:2025-12-28

電弧螺柱焊用螺柱和瓷環標準對比分析:GB/T 10433-2024 vs ISO 13918 vs GB/T 10433-2002

GB/T 10433-2024《緊固件 電弧螺柱焊用螺柱和瓷環》作為現行國家標準,整合了7項舊國標并修改采用ISO 13918:2017,實現了與國際標準的高度協調。該標準在材料控制、產品范圍、尺寸公差、性能指標等方面均有顯著升級,特別是新增了CEV碳當量限制、ND型絕緣針、焊后彎曲試驗等關鍵要求,同時擴展了直徑范圍并優化了尺寸表達方式。與舊版GB/T 10433-2002相比,新國標覆蓋的產品類型從單一的SD型剪力釘擴展到12種螺柱型式,技術要求更加全面系統;與ISO 13918:2017相比,新國標在材料量化控制和工藝細節上更為嚴格,但在核心產品范圍和設計原則上保持一致。

O1CN01ag5z1I1mEmXnliXv3_!!2200709204923-0-cib.jpg

一、標準背景與演變歷程

GB/T 10433標準自1989年首次發布,經歷了多次修訂。2002年版GB/T 10433-2002主要針對SD型圓柱頭焊釘,適用于土木建筑工程中的抗剪件、埋設件及錨固件,非等效采用ISO 13918:1998  。而現行的GB/T 10433-2024于2024年9月29日發布,2025年4月1日正式實施,整合了7項舊國標:GB/T 902.2-2010、GB/T 902.3-2008、GB/T 902.4-2010、GB/T 10432.1-2010、GB/T 10432.2-2016、GB/T 10432.3-2010和GB/T 10433-2002 。這一整合修訂響應了國家標準化改革政策,旨在統一技術要求,便于讀者使用,同時與國際標準ISO 13918:2017更加協調 

ISO 13918標準同樣經歷了多次修訂,從1998年的初版發展到2017年版本,再到2021年的修改件1。ISO 13918:2017《焊接 電弧螺柱焊用螺柱和瓷環》是國際標準化組織(ISO)制定的最新版本,覆蓋了多種螺柱和瓷環類型,為全球電弧螺柱焊行業提供了統一的技術規范  微信搜索公眾號:佑工緊固件    緊固件知識全知道

焊釘標準.jpg

二、材料要求對比分析

GB/T 10433-2024引入了CEV碳當量≤0.38的關鍵限制,這是舊版標準和ISO 13918:2008均未明確規定的指標。這一要求直接提升了螺柱的焊接性能,減少了熱影響區裂紋的風險,體現了新國標在材料控制上的嚴格性  

標準

碳當量(CEV)要求

材料分類

材料組合方式

化學成分引用標準

GB/T 10433-2024

≤0.38(新增) [5]

SD3、PT、UT、IT等 [5]

允許兩種材料摩擦焊接組合 [5]

GB/T 3098.1、ISO 15510、ISO/TR 15608 [8]

ISO 13918:2017

未直接規定

SD3、PT、UT、IT等

未明確

ISO 898-1、ISO 3506-1等 

GB/T 10433-2002

未規定

SD型

不允許組合

GB/T 3098.1-2000、GB/T 6478-2001 

新國標整合了ISO 15510(SD3材料)和ISO/TR 15608(PT/UT/IT材料),擴展了材料適用范圍,使標準不僅限于碳鋼,還涵蓋了不銹鋼、低合金鋼等多種材料 。這一變化顯著提升了標準的適用性和國際協調性,使中國標準與國際標準在材料分類上保持一致。

在材料組合方式上,GB/T 10433-2024明確允許螺柱由兩種不同材料通過摩擦焊接組合(如頭部為低碳鋼,桿部為高強度鋼),而舊版標準和ISO 13918:2008均未提及此技術,這為特殊工況下的螺柱應用提供了更靈活的解決方案  

ISO 13918-2008(1)_translated_20.jpg


三、產品覆蓋范圍對比

GB/T 10433-2024整合了7項舊國標,將產品覆蓋范圍從單一的SD型剪力釘擴展到12種螺柱型式,實現了對電弧螺柱焊全系列產品的一體化規范 。這一擴展顯著提升了標準的全面性和實用性。

標準

覆蓋的螺柱類型

覆蓋的瓷環類型

直徑范圍

整合舊標準數量

GB/T 10433-2024

FD、MD、PD、RD、UD、SD、PS、US、IS、PT、UT、IT等12種

UF、MF、PF、RF、DF等

6~24mm(含小規格)

7項(包括GB/T 902.2-2010、GB/T 10432.1-2010等)

ISO 13918:2017

FD、MD、PD、RD、UD、SD、PS、US、IS、IT、UT、PT等12種

PF、UF等

6~24mm

未整合其他標準

GB/T 10433-2002

SD型剪力釘

B1、B2型瓷環 

10~25mm 

僅自身

ISO 13918:2017與新國標在核心螺柱類型上保持一致,包括全螺紋螺柱(FD)、近全螺紋螺柱(MD)、部分螺紋螺柱(PD)、帶縮桿螺紋螺柱(RD)、無頭焊釘(UD)、剪力釘(SD)、帶法蘭螺紋螺柱(PS)、短周期螺紋螺柱(US)、內螺紋螺柱(IS)、不銹鋼螺柱(IT)、低合金鋼螺柱(UT)和碳鋼螺柱(PT)等12種 新國標新增了ND型絕緣針,這是ISO 13918:2017未明確包含的類型,屬于中國標準對特殊應用場景的補充  

在直徑范圍上,新國標擴展了下限,覆蓋6~24mm的公稱直徑,而舊版GB/T 10433-2002僅限于10~25mm的SD型剪力釘  。這一擴展使標準能夠滿足更多細分市場的需求,特別是在小型鋼結構連接方面的應用。

ISO 13918-2008(1)_translated_35.jpg

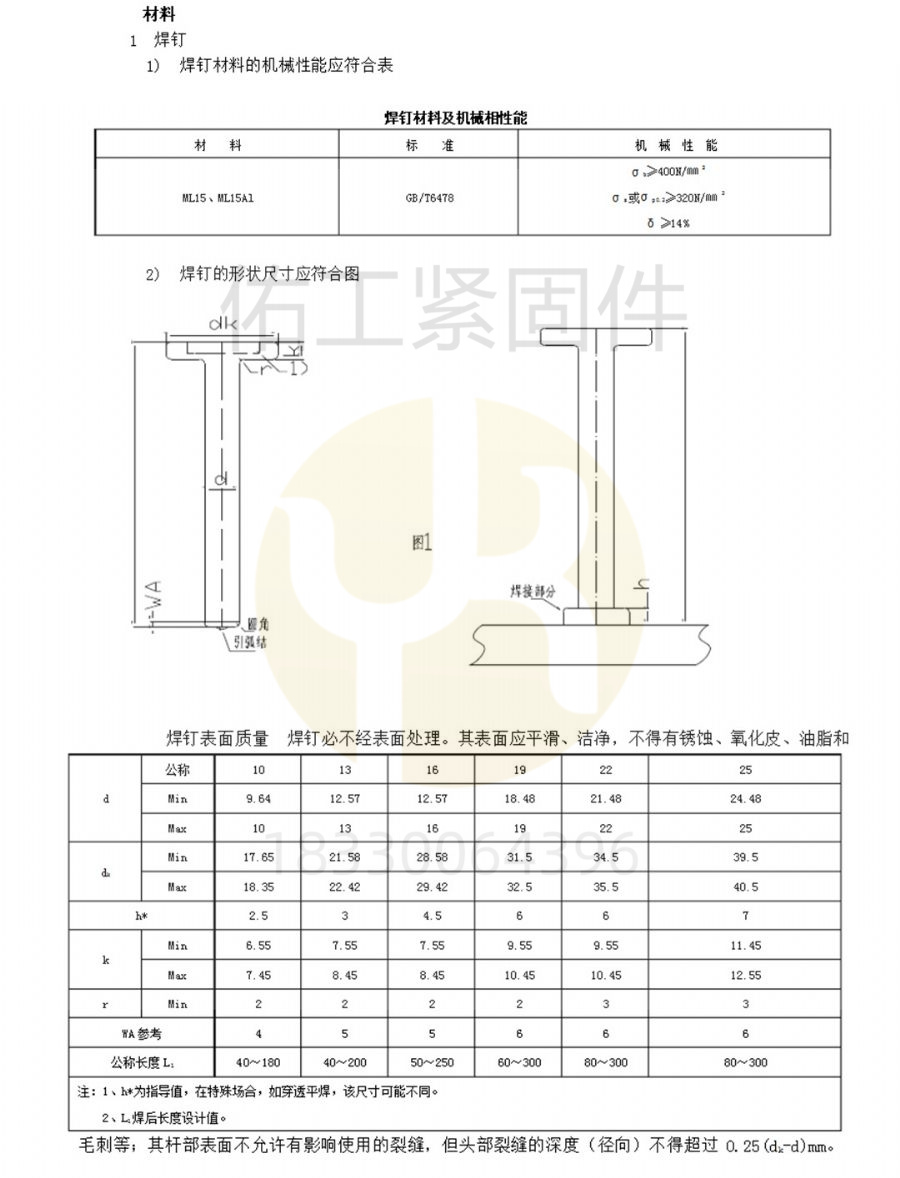
四、尺寸公差變化分析

GB/T 10433-2024在尺寸公差方面進行了系統優化,從單向負公差改為雙向對稱公差,分段控制長度公差,并引入公式化表達頭部尺寸,顯著提升了產品的精度和一致性要求  

新國標對桿徑公差的要求更加嚴格,采用±0.4mm的雙向對稱公差,取代了舊版GB/T 10433-2002的單向負偏差(h14,對應公差-0.14mm)  。這一變化意味著制造過程中對尺寸的控制更為嚴格,減少了產品尺寸波動的可能性,提高了焊接質量和可靠性。

在長度公差方面,新國標采用了分段控制策略:≤100mm時±1.5mm,>100mm時±2.0mm。而舊版GB/T 10433-2002未明確分段要求,可能統一為±2mm的公差 ISO 13918:2017與新國標在長度公差分段要求上保持一致,體現了國際標準與新國標的高度協調  

對于頭部尺寸,新國標引入了公式化表達(k= y+2P,P為螺距)和明確的公差(±0.5mm),取代了舊版僅規定最小值的模糊要求  。這一變化使頭部尺寸的設計更加科學規范,有利于提高焊接質量和穩定性。

標準

桿徑公差

長度公差

頭部直徑dk公差

頭部高度k表達方式

GB/T 10433-2024

±0.4mm(雙向) 

≤100mm時±1.5mm>100mm時±2.0mm 

±0.5mm 

公式化(k= y+2P) 

ISO 13918:2017

±0.4mm(雙向) 

≤100mm時±1.5mm>100mm時±2.0mm 

±0.5mm 

公式化(k= y+2P) 

GB/T 10433-2002

單向負偏差(h14) 

±2mm(統一) 

最小值要求 

未公式化表達 

新國標還調整了部分符號表達,如將”y”改為”y+2P”(見表5和表6),將D6列中的”b”改為”b+2P”(見表9),將表13中的”bmin”改為”bmin+2P”(見表13),以及將表16中的”b”改為”bmin+2P”(見表16)  。這些調整使尺寸表達更加科學規范,便于設計和制造過程中的理解和應用。

此外,新國標將dk(頭部直徑)和h4(焊縫高度)等標記為參考尺寸(非驗收依據),而舊版標準未區分參考尺寸與驗收尺寸 。這一變化有助于明確設計參考與實際驗收的標準,避免了不必要的誤解和爭議。

ISO 13918-2008(1)_translated_28.jpg

五、性能指標升級與檢驗方法

GB/T 10433-2024在性能指標方面進行了全面升級,新增了CEV碳當量限制、斷后伸長率要求和焊后彎曲試驗,同時整合了分散在舊標準中的檢驗規則,形成了更加系統規范的檢驗方法體系  

新國標明確要求螺柱的碳當量(CEV)≤0.38,這是舊版標準和ISO 13918:2008均未明確規定的指標  。這一要求直接提升了螺柱的焊接性能,減少了熱影響區裂紋的風險,對于需要高強度連接的應用場景尤為重要。

在材料性能方面,新國標新增了符合ISO 15510的SD3用材料和符合ISO/TR 15608的PT、UT、IT用材料  。這擴展了材料適用范圍,使標準不僅限于碳鋼,還涵蓋了不銹鋼、低合金鋼等多種材料,滿足了不同應用場景的需求。

新國標新增了抗剪螺柱焊接后性能和試驗方法(附錄A),要求螺柱焊接后彎曲30°無可見裂紋 。這一要求在舊版標準和ISO 13918:1998中均未提及,屬于新國標的重要創新。彎曲試驗能夠暴露焊縫中的微觀缺陷,如未熔合、夾渣等問題,有效評估焊接接頭的塑性變形能力和整體質量 

在檢驗方法上,新國標增加了硬度測試(維氏硬度HV)的要求,而舊版GB/T 10433-2002未明確硬度測試方法  。這一變化使材料性能評估更加全面,不僅關注強度指標,還考慮了材料的硬度特性,為螺柱應用提供了更全面的性能保障。

對于瓷環的使用前處理,新國標規定必須經150℃×2h烘烤,去除水分防氣孔。而舊版GB/T 10433-2002未明確烘烤溫度,可能允許更低溫度或自然干燥 。這一變化反映了新國標對焊接質量控制的嚴格要求,確保了焊接過程的穩定性和焊縫質量。

焊釘施工工藝流程.png

六、國際接軌程度評估

GB/T 10433-2024修改采用ISO 13918:2017,實現了與國際標準的高度協調,但在材料量化控制和工藝細節上更為嚴格。這一協調性有利于中國企業在國際市場的競爭,同時保持了標準的本土化特色。

在修改采用過程中,新國標進行了結構調整和內容調整。結構調整方面,5.1對應ISO 13918:2017中的5.3.1,5.2對應ISO 13918:2017中的5.3.2,5.3對應ISO 13918:2017中的5.3.3;表19對應ISO 13918:2017中的表18;10.2對應ISO 13918:2017中的10.2和10.3,10.2.1對應ISO 13918:2017中的10.2,10.2.2對應ISO 13918:2017中的10.3 。這些結構調整使標準在內容組織上更加符合國際標準的框架,便于國際交流和應用。

技術差異方面,新國標增加了對機械加工試件的斷后伸長率、瓷環內徑等符號的規定,刪除了與技術要求關聯度不大的5.1訂購信息、5.2危險物質和5.4耐久性,用中國標準替換了部分國際標準(如GB/T 3098.1替換了ISO 898-1,GB/T 16672替換了ISO 6947) 。這些技術差異反映了中國標準的本土化需求和工藝特點,同時也保持了與國際標準的核心協調性。

在材料控制上,新國標直接量化CEV碳當量≤0.38,而ISO 13918:2017未明確此指標,但通過引用ISO 15510和ISO/TR 15608間接要求材料需符合焊接性能標準 。這一差異體現了新國標在材料量化控制上的嚴格性,同時也與國際標準保持了技術上的等效性。

對于瓷環烘烤溫度,新國標規定150℃×2h,而ISO 13918:2017未明確烘烤溫度,僅要求瓷環保持干燥  。這一差異反映了新國標對工藝細節的嚴格要求,確保了焊接質量的穩定性和可靠性。

在螺柱類型上,新國標與ISO 13918:2017在核心類型上保持一致,包括FD、MD、PD、RD、UD、SD、PS、US、IS、IT、UT和PT等12種 新國標新增了ND型絕緣針,這是ISO 13918:2017未明確包含的類型,屬于中國標準對特殊應用場景的補充  。這一差異不影響標準的核心協調性,但在具體應用中需要注意。

焊接過程中焊釘的融化量.png

七、應用建議與實施路徑

基于GB/T 10433-2024與ISO 13918和GB/T 10433-2002的差異性分析,建議企業在標準實施過程中采取以下策略

首先,企業應全面評估現有生產體系與新國標的要求差距,特別是材料碳當量(CEV)的控制、尺寸公差的調整和檢驗方法的更新。對于出口產品,需特別關注與ISO 13918:2017的協調性,確保產品符合國際市場的技術要求。

其次,企業應加強材料管理,確保使用的材料符合新國標的要求。特別是對于碳當量(CEV)的控制,企業需要建立有效的質量控制體系,確保材料性能穩定可靠。對于需要摩擦焊接組合的螺柱,企業應制定嚴格的工藝規范,確保組合材料的焊接質量和性能穩定性。

第三,企業應更新生產設備和工藝參數,適應新國標更嚴格的尺寸公差要求。特別是對于桿徑公差(±0.4mm)和長度公差(分段控制)的變化,企業需要調整加工工藝和檢測方法,確保產品符合新標準的要求。同時,企業應加強員工培訓,提高操作人員的技能水平和質量意識。

第四,企業應建立完善的檢驗體系,特別是焊后彎曲試驗(30°無可見裂紋)的實施  。這一試驗能夠有效評估焊接接頭的質量,確保螺柱在實際應用中的可靠性和安全性。企業應配置必要的檢測設備,制定詳細的檢測流程,確保檢驗結果的準確性和可靠性。

最后,企業應關注標準的實施時間節點(2025年4月1日),合理安排過渡期的生產計劃,確保在標準實施前完成必要的調整和準備工作。對于庫存的舊標準產品,企業應制定合理的銷售和使用計劃,避免在標準實施后出現合規性問題。

焊釘材質力學性能.png

八、總結與展望

GB/T 10433-2024作為現行國家標準,通過整合7項舊國標并修改采用ISO 13918:2017,在材料控制、產品范圍、尺寸公差和性能指標等方面均實現了顯著升級。這一升級不僅提升了標準的全面性和系統性,也增強了與國際標準的協調性,有利于中國企業在國際市場的競爭和產品出口。

與舊版GB/T 10433-2002相比,新國標覆蓋的產品類型從單一的SD型剪力釘擴展到12種螺柱型式,實現了對電弧螺柱焊全系列產品的一體化規范 。同時,新國標引入了CEV碳當量限制、焊后彎曲試驗等關鍵要求,顯著提升了產品的焊接性能和質量穩定性 

ISO 13918:2017相比,新國標在材料量化控制和工藝細節上更為嚴格,但在核心產品范圍和設計原則上保持一致 。這一協調性有利于中國標準與國際標準的對接和互認,促進技術交流和貿易合作。

焊釘外觀焊接檢驗標準.png

展望未來,隨著電弧螺柱焊技術的不斷發展和應用領域的不斷擴展,GB/T 10433標準可能進一步更新和完善,以適應新的技術需求和市場變化。同時,中國標準與國際標準的協調性也將進一步增強,推動全球電弧螺柱焊行業的技術進步和質量提升。

企業應密切關注標準的更新動態,及時調整生產和技術體系,確保產品符合最新的標準要求。同時,企業也應積極參與標準的制定和修訂工作,提出實際應用中的經驗和需求,推動標準的完善和進步。

圓柱頭焊釘焊接詳圖.jpg