主要產品:焊釘、栓釘 剪力釘 圓柱頭焊釘鋼結構螺栓

專注鋼結構產品系列鋼結構配件系列產品專業供應商

18330064396

您的位置: 首頁 > 行業資訊

咨詢熱線

18330064396

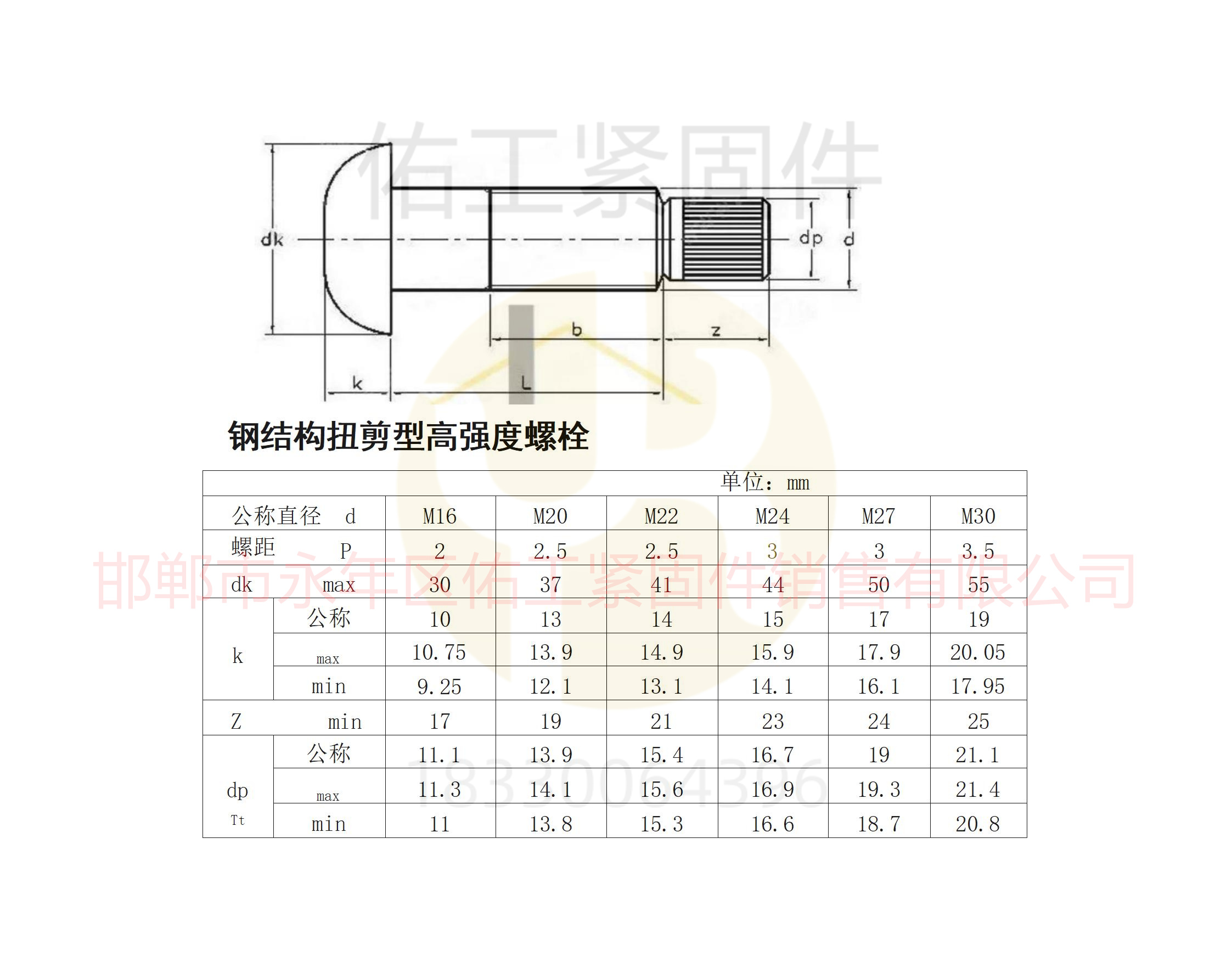
鋼結構扭剪型螺栓GB3632-10.9S級別一篇文章知識全搞透

瀏覽次數:888 發布時間:2024-08-28


O1CN01CM5Fdj1ZJjvsQlB4L_!!2211038723174-0-cib.jpg

扭剪型螺栓M16-30參考.jpg螺母和墊圈圖.png

螺母和墊圈數據.png

鋼結構扭剪型螺栓重量.jpg

高強度螺栓施工擰緊順序圖.jpg

扭剪型高強度螺栓軸力平均值及標準偏差值.png

扭剪型高強度螺栓初擰復擰扭矩值.jpg

高強度大六角頭螺栓扭矩系數平均值與標準偏差值.png