主要產品:焊釘、栓釘 剪力釘 圓柱頭焊釘鋼結構螺栓

專注鋼結構產品系列鋼結構配件系列產品專業供應商

18330064396

您的位置: 首頁 > 行業資訊

咨詢熱線

18330064396

GB10433圓柱頭焊釘,栓釘,剪力釘一篇文章知識全知道

瀏覽次數:862 發布時間:2024-08-29

剪力釘簡介1.jpg


O1CN01ag5z1I1mEmXnliXv3_!!2200709204923-0-cib.jpg

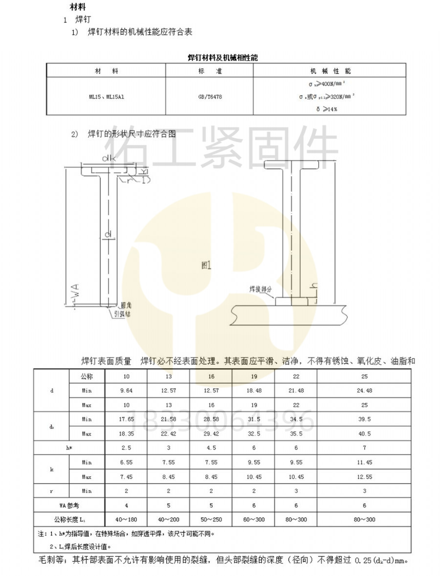
焊釘標準.jpg

焊釘尺寸.jpg

圓柱頭焊釘焊接詳圖.jpg

焊釘單重.png